Products
  

Use & Specific features
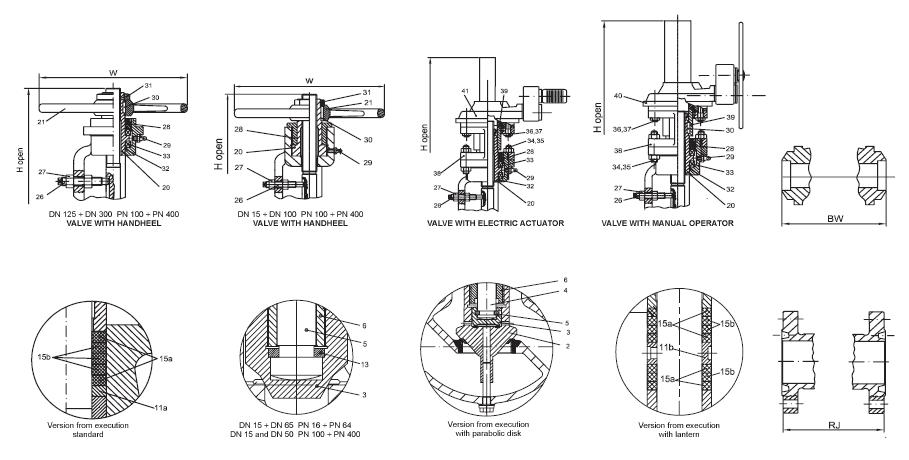
Design & Technology
Image gallery

Din Globe Valve Specification